ГоловнаВодонагрівачіБойлер KHT ВВТ-004-4000 в ізоляції 80 мм

Бойлер KHT ВВТ-004-4000 в ізоляції 80 мм

Код: ВВТ00404000PD
Бренд:
В наявності
Немає в наявності
Об'єм бойлера, літрів
грн.

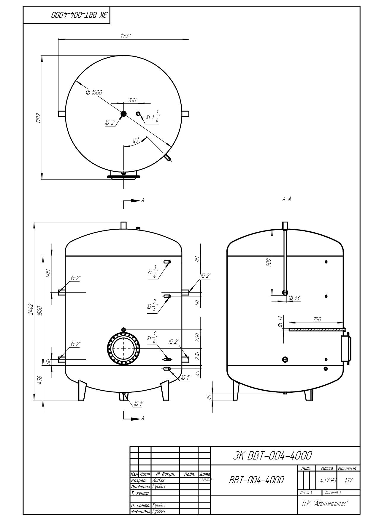
Обєм, л: 4000
Тип: емальований
Висота, мм: 2450
Діаметр без ізоляції, мм: 1600
Діаметр в ізоляції, мм: 1760
Сталь: чорна

Відгуки: 0

Бойлери непрямого нагріву. Навіщо бойлер потрібний?

Що таке бойлер непрямого нагріву?

Водонагрівач – агрегат який нагрівається від системи опалення або від сонячних колекторів, через відсутність власного джерела тепла. Теплоносій нагрітий джерелом тепла надходить у теплообмінник бойлера, тим самим нагріваючи воду в бойлері. Теплоізоляція бойлера дозволяє зберегти температуру води тривалий час без значних тепловтрат, навіть при відключеному джерелі тепла.

Джерела тепла можуть бути:

-газовий котел;
-електричний котел;
-твердопаливний котел;
-централізоване опалення;
-сонячні колектори;
-тепловий насос;
-холодильний агрегат;
-геотермальне джерело і т.д.

Основні переваги використання бойлера непрямого нагріву:

1. Великий обсяг гарячої води
Можливість нагрівати одночасно великий об’єм води та зберігати нагріту воду до того моменту, коли виникне необхідність у ній. Ця можливість актуальна для: багатоквартирних будинків, лікарень, гуртожитків, басейнів тощо.

2. Комфорт
При піковому споживанні гарячої води- відсутне дефіцит води та напору. Це дає можливість споживати гарячу воду одночасно великою кількістю споживачів гарячої води з комфортом, до якого швидко звикаєш під час експлуатації бойлера непрямого нагріву.

3. Економія
Бойлер непрямого нагріву може комплектуватися одним, або двома теплообмінниками, що дозволяє нагрівати воду від декількох джерел тепла. Наприклад: основне джерело тепла для нагріву бойлера у денний час твердопаливний котел, а в нічний час за допомогою другого тілообмінника нагріває, або догріває воду електричний казан. Електричний котел споживаючи електроенергію за нічним тарифом, що призводить до економії коштів на підігрів води. Тим самим окупається витрати на бойлер непрямого нагріву та комплектуючі.

4. Універсальність
Бойлер з кількома теплообмінниками дозволяє нам використовувати кілька джерел тепла, які я перерахував вище. Теплоносії джерел тепла можуть бути різні. Наприклад: при експлуатації бойлера з двома теплообмінниками, газовий котел підключений до нижнього теплообмінника у якого теплоносій вода, та сонячні колектори підключені до верхнього теплообмінника теплоносій пропіленгліколь. Також у більшості бойлерів передбачено патрубок для тена. У прикладі маємо три різні джерела тепла, що говорить нам про: універсальність, альтенативність і ефективность використання бойлера непрямого нагріву.

5. Рециркуляція гарячої води
Комфорт споживача – найголовніше. При відкритті крана очікуємо одразу гарячу воду. Це можливо при рециркуляції гарячої води. У бойлерах непрямого нагрівання є патрубок для рециркуляції, що робить рециркуляцію як додаткову функцію для комфорту.

Основні недоліки застосування бойлера непрямого нагріву:

1. Висока ціна
Бойлер непрямого нагріву значно дорожчий за класичний бойлер.

2. Додаткові витрати на монтаж та обладнання
Обв’язка бойлера непрямого нагріву складніше і дорожче, ніж у випадку класичного бойлера!

3. Великі габарити бойлера
Якщо двоконтурний газовий котел, газова колонка, проточний електричний водонагрівач, класичний бойлер не здатні забезпечити достатньою кількістю гарячої води приймають рішення на користь бойлера непрямого нагріву. Відразу виникає питання, де розташувати? Великі габарити говорять про те, що потрібне окреме приміщення. А це втрата корисної площі будинку.

4. Часте обслуговування
Висока ціна бойлера непрямого бойлера вимагає більш уважного ставлення до бойлера. Мінімум 1-н раз на рік обслуговування (читка бойлера та заміна магнієвого анода)

У цій статті я дав пораду на найважливіші питання, з якими стикаються при прийняття рішення, що до бойлера непрямого нагріву.
Завжди виникають додаткові питання, на які я,

Кузнєцов Алесандр, готовий відповісти.

068 849 20 60 (Київстар) Viber, Telegram
099728 47 88 (Vodafone)

За 10 років роботи магазину Тепла Країна реалізовано 500 проектів. Ми працюємо по всій Україні.
Наші роботи можна побачити у містах: Київ, Дніпро, Черкаси, Умань, Полтава, Вінниця, Івано – Франківськ, Хмельницький, Чернівці, Житомир, Тернопіль, Рівне, Луцьк, Львів, Ужгород, Городище, Маневичі, Сміла, Канів, Миргород, Нікополь, Лубни, Бердичів, Козятин, Погребище, Самбір, Дрогобич, Калуш, Сарни, Кам’янець-Подільський, Берегове, Овруч, Бережани, Ямпіль, Бершадь, Тетіїв, Боярка, Свалява, Броди, Рогатин, Бровари, Тростянець, Буча, Хотин, Винники, Гадяч, Хмільник, Гайсин, Стрий, Глухів, Суми, Городок, Деражня, Яремче, Дубляни, Жидачів, Збараж, Зборів, Ірпінь, Хорол, Козятин, Кам’янка, Теребовля, Камінь-Каширський, Карлока, Павлоград, Ківерці, Коломия, Одеса, Коростень, Малин, Мена, Могилів-Подільський, Мукачево, Нетішин, Червоноград, Новояворівськ, Обухів, Погребище, Почаїв, Радомишль, Путивль, Рахів, Снятин, Тальне, Турка, Українка, Фастів, Ходорів, Хуст, Чегірін, Яготин.

Відгуки ( 0)

Залишити відгук

Ваша e-mail адреса не оприлюднюватиметься. Обов’язкові поля позначені *

© Тепла Країна 2023. Усі права захищені